
(7天*24小時)
電話:0534-5366669
傳(chuán)真:0534-5533819
QQ:604567652
地址:寧津(jīn)縣劉振雷(léi)工業園

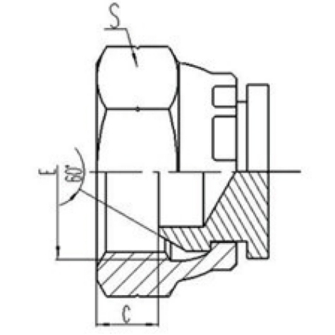
|
代 號 |
螺紋 THREAD |
尺 寸 DIMENSIONS |
|
|
PART NO. |
E |
C |
S |
|
9B-04 |
G1/4"X19 |
5.5 |
19 |
|
9B-06 |
G3/8"X19 |
6.3 |
22 |
|
9B-08 |
G1/2"X14 |
7.5 |
27 |
|
9B-10 |
G5/8"X14 |
9.5 |
30 |
|
9B-12 |
G3/4"X14 |
10.9 |
32 |
|
9B-16 |
G1"X11 |
11.7 |
41 |
|
9B-20 |
G1.1/4"X11 |
11 |
50 |
|
9B-24 |
G1.1/2"X11 |
13 |
55 |
|
9B-32 |
G2"X11 |
16 |
70 |